FURUNO AIS
 FURUNO AIS

AIS FA-40

Fast Target Tracking™ and Auto Target Acquire function


 

With Fast Target Tracking™ activated, it only takes a few seconds for a vector to be displayed once the target is selected, manually or automatically with the Auto Target Acquire function.

When the Auto Target Acquire function is on, approaching targets within 3NM range from own ship, which are potentially hazardous, are automatically acquired by Doppler calculation and will trigger an alarm*.

Together, Up to 100 targets can be acquired simultaneously, increasing considerably the safety and simplifying estimation of other vessel’s course and speed.

*TCPA setting required

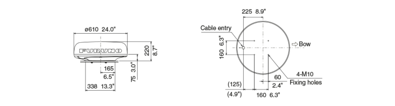
140x140

Radar Specifications

ANTENNA
Type DRS2D-NXT DRS4D-NXT DRS6A-NXT DRS12A-NXT DRS25A-NXT
Antenna Size ø485 mm Radome (19") ø510 mm Radome (24") XN10A : 1038 mm Open (3')
XN12A : 1255 mm Open (4')
XN12A : 1255 mm Open (4')
XN13A : 1795 mm Open (6')
Not specified
Horizontal Beam Width 5.2° typical (3 dB) Adjustable between 2-6° and 5.2° (effective with RedBocur™ control) 3.9° typical (3 dB) Adjustable between 2° and 3.9° (effective with RedBocur™ control) XN10A : 2.3°
XN12A : 1.9°
XN13A : 1.35° (effective with RedBocur™ control)
XN12A : 1.9°
XN13A : 1.35° (effective with RedBocur™ control)
Not specified
Vertical Beam Width 25° 22° Not specified Not specified Not specified
Antenna Rotation Speed 24/36/48 rpm range coupled or 24 rpm fixed
RADAR FUNCTION
Tx Frequency 3 channel, auto selectable
CH:1 : 5800 MHz (P0W), 9400 MHz (Q0W)
CH:2 : 9400 MHz (P0W), 9400 MHz (Q0W)
CH:3 : 9400 MHz (P0W), 9400 MHz (Q0W)
Output Power 25 W 100 W 200 W Not specified Not specified
Range Scale 0.0625 to 48 NM 0.0625 to 72 NM 0.0625 to 96 NM Not specified Not specified
Target Tracking (TT) Auto or manual acquisition: 100 targets between 0.1 and 24 NM
Past position: 5/10 pps on all activated targets
Vector time: 1 to 60 min.
INTERFACE
Number of Ports LAN: 1 port, Ethernet, 100Base-TX, RJ45
POWER SUPPLY
Power Consumption 12/24 VDC 2.5-1.3 A 12/24 VDC 9.5/5.0 A max. 24 VDC 5.0 A max. 24 VDC 5.6 A max. Not specified
ENVIRONMENT
Temperature -25°C to +55°C
Waterproofing IP26 IP56 Not specified Not specified Not specified
WEIGHT AND DIMENSION
3.5 ft Open Array NXT Radar 22kg 48.5 lb Open Array Radar
4 ft Open Array NXT Radar 25kg 55.1 lb
6 ft Open Array NXT Radar 27kg 59.5 lb
DRS4D-NXT 7.3 kg 16.1 lb DRS4D-NXT Radar
DRS2D-NXT 6.5 kg 14.3 lb DRS2D-NXT Radar

Configuration and Specifications

 

Basic configuration of the equipment

 

No.

Description

Model

Qty

Notes

1

AIS Transponder

NTE-183

1

With 1 whip antenna, 2 fitting bands, 1 N-P-10U, and 2 Rubbers 10 x 10 x 10

2

AIS Controller

NCM-983

1

With 4 tapping screws

3

Spare parts

7ZXJD0136

1

 

4

Instruction manual

7ZPJD0553

1

English

 

Options

 

No.

Description

Model

Qty

Notes

1

AC/DC Power supply unit

NBD-577C

1

100/220V Manual Change

2

Control cable for NCM-983

CFQ-9183A

1

Length= 2m

3

CFQ-9183D

1

Length=10m

4

CFQ-9183F

1

Length=20m

5

Connection box

NQE-5183

1

With 4 tapping screws

6

Data cable for NQE-5183

CFQ-9193A

1

Length=2m

7

CFQ-9193D

1

Length=10m

8

CFQ-9193F

1

Length=20m

9

AC power supply unit for Pilot PC

NBG-380

1

120VAC output

10

Pilot plug cable

CFQ-9173A

1

Wall mount cable Length=0.3m

11

Pilot plug cable

CFQ-6961

1

Length=20m

12

Pilot plug box

NQE-3150

1

Wall mount type

13

Console mounting kit for NQE-3150

MPBX40498

1

Color: 7.5BG7/2

14

MPBX45388

1

Color: N4.0

15

L-type adapter

CFQ-9184

1

 

 

Application Scenarios